登录
注册
退出
×
用户登录
用户名
密码
验证码
忘记密码?
登 录
还没有账号?
立即注册
|
繁體版
中央人民政府
新疆维吾尔自治区人民政府
新疆生产建设兵团
全站群
首 页
师市概况
领导之窗
政务公开
办事服务
政民互动
专题专栏
您的位置:
首页
>
住房和城乡建设局
>信息公开详细
索引号:
jsj-2021-00431
发布机构:
住房和城乡建设局
生成日期:
2021-09-08
废止日期:
文 号:
主题分类:
权责清单
关键词:
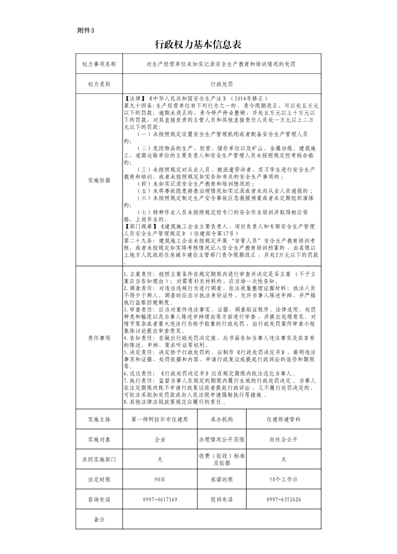
171、对生产经营单位未如实记录安全生产教育和培训情况的处罚
【字体:
小
大
】
手机版
用户登录
还没有账号?
立即注册